1333型智能型壓力變送器是一款集壓力測量、變送輸出于一體的智能化測控產品。對傳感器非線性、溫度漂移進行修正補償,通過手操器在線調整參數,實現精確的數字/數據傳輸、現場設備診斷、遠程雙向通訊等。產品具有精確度、穩定性好、操作方便等特點。

1333通訊協議型壓力變送器
對316不銹鋼無腐蝕的氣體、液體壓力測量
應用于石油、化工、冶金、電力、水文等工業過程現場
1333通訊協議型壓力變送器特點
測量范圍廣,不銹鋼、鑄鋁結構,壓力接口形式多樣,超亮度LCD壓力顯示
具有HART通訊協議或RS485通訊協議
| 技術參數 | |
|---|---|
| 量程范圍: | ' -0.1~0或0~0.01或0~100MPa |
| 允許過載: | ≤額定量程的1.5倍 |
| 壓力類型: | 表壓、絕壓、密封參考壓型 |
| 精確度: | ±0.25%(典型)±0.5%(最大) |
| 長期穩定性: | ±0.2%F.S/年(最大) |
| 零點溫度漂移: | ±0.03%F.S/℃(≦100KPa) ±0.02%F.S/℃(>100KPa) |
| 滿度溫度漂移: | ±0.03%F.S/℃(≦100KPa) ±0.02%F.S/℃(>100KPa) |
| 工作溫度: | -20℃~80℃ |
| 貯存溫度: | -40℃~120℃ |
| 供電電源: | 15~30VDC(本安型經安全柵供電) |
| 輸出信號: | 模擬量:4~20mA;0~10mA;0/1~5VDC |
| 數字量:HART通訊協議或RS485通訊 | |
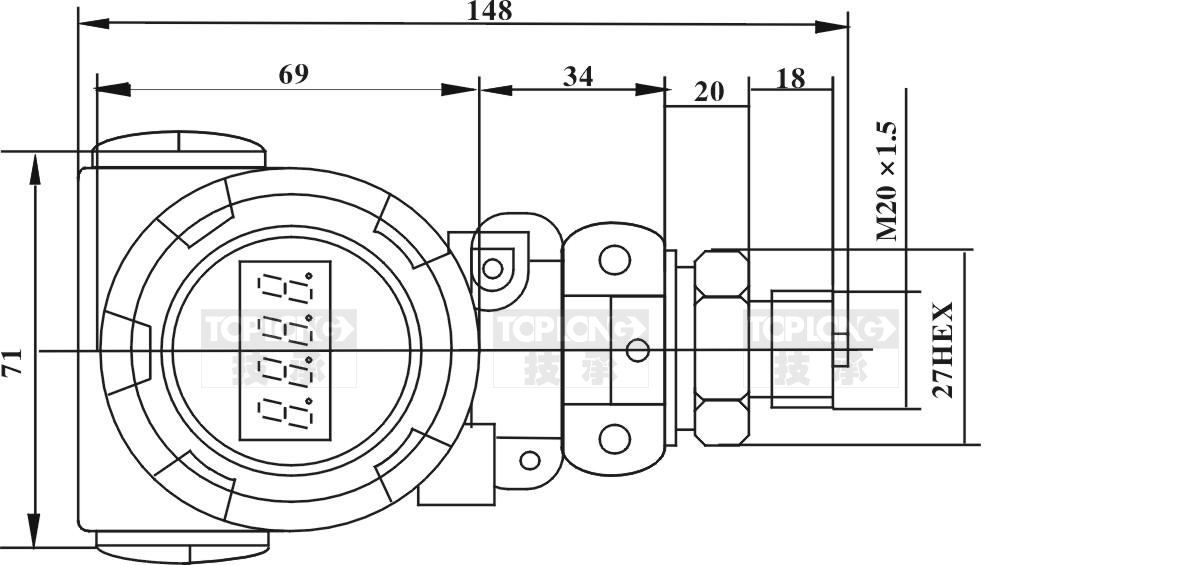
| 壓力接口: | M20*1.5;G1/2 或用戶自選 |
| 外殼材質: | 304不銹鋼 |
| 膜片材質: | 316L不銹鋼 |
| O型密封圈: | 氟橡膠 |
| 電纜: | 聚乙烯 |
| 絕緣電阻: | 100MΩ 100VDC |
| 外殼防護等級: | IP65 |

| 選型代碼 | ||||||||
|---|---|---|---|---|---|---|---|---|
| 1333- | 1 | 2 | 3 | 4 | 5 | 6 | 7 | 8 |
| 量程范圍 -0.1~0或0~0.01或0~100MPa(X:表示實際測量量程上線) | ||||||||
| 1 | XK | (0-x)Kpa | ||||||
| XM | 0-x)Mpa | |||||||
| 2 | 外形規格 | |||||||
| B | 2088款工業儀表殼數顯型(鑄鋁合金材質) | |||||||
| 3 | 供電電源 | |||||||
| D1 | 15~30VDC | |||||||
| D3 | 其它供電方式 | |||||||
| 4 | 輸出信號 | |||||||
| S1 | 4~20mA | |||||||
| S2 | 1~5V | |||||||
| S3 | 0~5V | |||||||
| S4 | 0~10mA | |||||||
| 5 | 輸出功能 | |||||||
| S5 | HART通訊協議 | |||||||
| S6 | RS485通訊協議 | |||||||
| 6 | 螺紋接口 | |||||||
| J1 | M20×1.5外螺紋 | |||||||
| J2 | G1/2 外螺紋 | |||||||
| 7 | 壓力類型 | |||||||
| G | 表壓(*常規選項) | |||||||
| A | 絕壓 | |||||||
| S | 密封參考壓 | |||||||
| 8 | OEM定制 | |||||||
| / | 無定制內容常規出貨 | |||||||
| A | 無銘牌光版定制產品 | |||||||
| B | 指定銘牌指定商標產品 | |||||||
與”1333通訊協議型壓力變送器“相關產品
與”1333通訊協議型壓力變送器“相關閱讀